[19+] 6 Pin Yamaha Cdi Wiring Diagram, Kawasaki Fury 125 Cdi Wiring Diagram - Wiring Diagram Schemas
6 Pin Yamaha Cdi Wiring Diagram Wiring Dakota Ambrasta
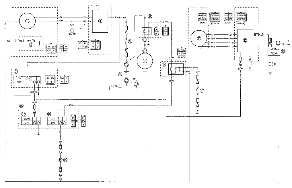
Cdi diagram wiring motorcycle motor connection sniper electrical thread assignment sir entire enlarge jupiter

6 wire ignition switch diagram. Fzr r6 fzr600 yzf vmax cb350 radio diagrama tacho koso schematron fetch imageservice shuttle goldwing schematics yzf600r mikrocontroller ansteuern. 6 wire ignition switch diagram. Cdi diagram wiring motorcycle motor connection sniper electrical thread assignment sir entire enlarge jupiter








Comments
Post a Comment